Телескопический загрузчик сыпучих материалов ТЗС
ООО «Агротехком» производит качественную модификацию — Телескопический загрузчик сыпучих материалов ТЗС, с помощью которой выполнятся погрузка в открытые и закрытые средства транспорта. В последнем случае операцию производят посредством люков.
Оборудование является 2-х канальным телескопическим устройством по типу труба в трубе. Его конструкцией предусмотрено перемещение сыпучих продуктов по каналу, тогда как пылевые частицы отводятся в пространство, которое образуется рукавом и внешней канальной частью.
Оборудование для бес пылевой загрузки:
Система не нуждается в подведении сжатого воздуха для поступления в загрузочный канал. Остаточные показатели запыленности очищенных воздушных масс не превышают 10 мг/м3. Модификации ТЗС, не оборудованные рукавным фильтром, перед использованием требуется подключить к наружному фильтру. Аспирационное оборудование комплектуется электрической лебедкой, которая используется для его поднятия в случае отсутствия транспорта и опускания в ходе погрузки сырья.
Телескопическая загрузочная система и рукав аспирационного типа имеют концевые переключатели, предупреждающие поднимание и опускание телескопических составляющих в максимально верхнем и нижнем положениях. Также ТЗС может комплектоваться датчиком наполнения. Он предупреждает просыпание сырья из транспорта.
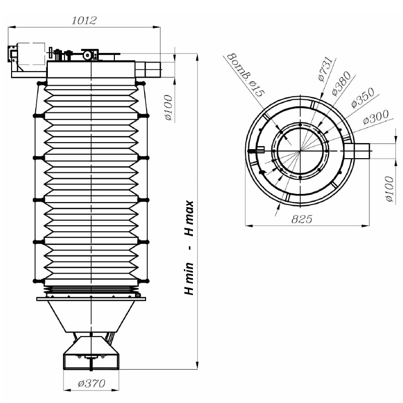
Размер оборудования зависит от числа секций, а диаметр окна для загрузки определяется согласно таблицам, которые присутствуют на чертеже. Кроме того, системы аспирационного типа могут изготавливаться по любому размеру окна для погрузки.
Нюансы использования и достоинства оборудования
В случае открытой загрузки сбор пылевых частиц производится с помощью особых «фартуков» большого размера, а при высыпании в люки — посредством щелевого отсоса, расположенного в воронке.
В модификациях, оборудованных рукавным фильтром, загрязненные воздушные массы под воздействием интегрированного вентилятора проходят через фильтрующие элементы. Они очищают воздух, после чего отводят его наружу. Потоки сжатых воздушных масс стряхивают пыль с фильтровальных элементов, а затем она подается в загрузочный канал. Если же ТЗС не оборудован фильтром, его подключают к внешней системе фильтрации.

Устройство станции : 1- верхний стыковочный узел ,; 2- патрубок системы аспирации ; 3- стыковочный фланец ; 4- металлический материалопровод ; 5-пыленепроницаемый материал , 6- трос подъема раздвижной части ; 7- лебедка ; 8- выгрузочная воронка с датчиком уровня материала .
Рукав аспирационного Телескопический загрузчик сыпучих материалов ТЗС
При выгрузке сыпучего сырья из бункеров либо силосов в транспорт, образуется большое количество пылевых частиц, что представляет собой серьезную проблему, поскольку приводит к снижению объемов поставляемого сырья и негативно влияет на микроклимат в промышленных помещениях и прилегающих зонах. Эффективно решить эту проблему можно с помощью ТЗС, который используется для погрузки сырья в закрытый транспорт.
Особенности конструкции и работы ТЗС
Оборудование представляет собой 2-х канальное устройство телескопического типа по типу труба в трубе. Его конструкцией предусмотрена подача сыпучих продуктов по каналу, тогда как пылевые частицы отводятся в пространство, которое образуется гофрированным рукавом и канальной внешней частью.
В моделях, которые оборудованы фильтром, загрязненный воздух подается вентилятором к фильтроэлементам. Они очищают массы от пыли, после чего очищенный воздух отводят наружу. Частицы пыли, остаются в системе и поступают в загрузочный канал. Показатели запыленности очищенных воздушных масс не превышает 50 мг/м3.
ТЗС комплектуется 3-тросовой электрической лебедкой, посредством которой происходит подъем рукава без транспорта и его опускание в ходе засыпания в транспорт сыпучих компонентов. Также конструкцией предусмотрены концевые переключатели, блокирующие опускание и поднимание телескопической части в максимально нижней и верхней точках. Кроме того, ТЗС оснащен шкафом управления и датчиком наполнения, который предупреждает высыпание продукта из транспорта.
После заполнения емкости системой предусмотрена блокировка на 1 минуту, не зависимо от выбранного режима — ручного или автоматического. На пульте управления расположена кнопка аварийного поднятия ТЗС, которая позволяет в срочном порядке поднять сильфон.
Загрузочный агрегат поставляется в собранном виде и проходит цеховые испытания.
Комплект поставки Телескопический загрузчик сыпучих материалов ТЗС:
- Вентилятора.
- Системы регенерации.
- Фильтровальных картриджей.
- 3-тросовой лебедки, оснащенной электроприводом.
- Шкафа управления типа
- Транспортного свода, который представлен внешним кожухом и внутренним тубусом.
- Уровневых датчиков.
- Концевых выключателей.
Длины аспирационного рукава могут подбираться в индивидуальном порядке, в зависимости от диаметра погрузочного окна.
Вместе с оборудованием заказчику предоставляется пакет документов:
- Паспорт устройства.
- Инструкция по использованию.
- Бухгалтерская документация.
- Упаковочные листы.

| Размер
станции |
H min | H max |
| 00 | 725 | 885 |
| 01 | 810 | 1145 |
| 02 | 895 | 1405 |
| 03 | 980 | 1665 |
| 04 | 1065 | 1925 |
| 05 | 1150 | 2185 |
| 06 | 1235 | 2445 |
| 07 | 1320 | 2705 |
| 08 | 1405 | 2965 |
| 09 | 1490 | 3225 |
| 10 | 1575 | 3485 |
| 11 | 1660 | 3745 |
| 12 | 1745 | 4005 |
| 13 | 1830 | 4265 |
| 14 | 1915 | 4525 |
| 15 | 2000 | 4785 |
| 16 | 2085 | 5045 |
| 17 | 2170 | 5305 |
| 18 | 2255 | 5565 |
| 19 | 2340 | 5825 |
| 20 | 2425 | 6085 |



Отзывы
Отзывов пока нет.